Панели 4Р-ХХХ-ХХ серии ВРУ-8505

Типовые схемы панелей ВРУ-8505, вводно-распределительных, группы 4Р-ХХХ-ХХ:

Наименован.

1-линейная схема

Комплектация

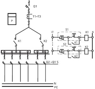
4Р-101-00

4Р-101-30

4Р-101-31

схема панели вводно-распределительной распределительной 4Р-101-00, 4Р-101-30,4Р-101-31,

Рубильник до 250А,

3-пол. автоматы до 125А до 4 шт,

1-пол. автоматы до 63А до 58 шт,

контакторы до 3 шт

4Р-102-00

4Р-102-30

4Р-102-31

схема панели вводно-распределительной распределительной 4Р-102-00, 4Р-102-30,4Р-102-31,

Рубильник до 250А,

3-пол. автоматы до 250А до 3 шт,

3-пол. автоматы до 63А до 12 шт

4Р-108-00

4Р-108-30

4Р-108-31

схема панели вводно-распределительной распределительной 4Р-108-00, 4Р-108-30,4Р-108-31,

Рубильник до 250А,

3-пол. автоматы до 125А до 4 шт,

1-пол. автоматы до 63А до 19 шт,

диф. автоматы до 63А до 10 шт,

контакторы до 3 шт

4Р-204-00

4Р-204-30

4Р-204-31

схема панели вводно-распределительной распределительной 4Р-204-00, 4Р-204-30,4Р-204-31,

Рубильник до 250А,

трансформаторы тока 3 шт,

3-пол. автомат до 125А до 3 шт,

1-пол. автоматы до 63А до 58 шт

4Р-205-00

4Р-205-30

4Р-205-31

схема панели вводно-распределительной распределительной 4Р-205-00, 4Р-205-30,4Р-205-31,

Переключатель до 100А,

предохранители до 100А 3 шт,

трансформаторы тока 3 шт,

3-пол. автоматы до 63А до 6 шт,

1-пол. автоматы до 63А до 29 шт,

контакторы до 4 шт,

выключатели до 4 шт

4Р-210-00

4Р-210-30

4Р-210-31

схема панели вводно-распределительной распределительной 4Р-210-00, 4Р-210-30,4Р-210-31,

3-пол. автомат до 250А,

трансформаторы тока 3 шт,

1-пол. автоматы до 63А до 15 шт,

контакторы до 2 шт,

блоки кнопочные до 2 шт