Вводные панели ВРУ имеют:
-
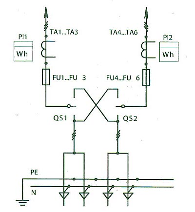
отделение учета, в котором устанавливаются трансформаторы тока, трехфазный счетчик, приборы
контроля тока и напряжения;
- отделение ввода, в котором устанавливаются рубильники (переключатели) и предохранители.
Для защиты от прикосновения к токоведущим частям отделение ввода закрывается отдельной
металлической дверью.
В распределительных панелях предусматривается установка автоматических выключателей, электромагнитных
пускателей и устройств защитного отключения (УЗО).
В распределительных панелях с определением учета дополнительно устанавливаются трансформаторы тока
и трехфазный счетчик. Ввод питающих кабелей выполняется снизу. Ввод проводов отходящих линий может
осуществляться вверх или вниз.
Распространенные схемы ВРУ, а также устанавливаемая в них аппаратура представлены в табл.2.2.1.
Основным документом для формулирования заказа является опросный лист установленной формы или условное
обозначение панелей.
ВРУ 18-80 с АВР
